En línea desde 2006 – Calidad comprobada
Más de 100.000 productos – Amplia variedad
Entrega desde nuestro propio almacén – Envío rápido
Marcas exclusivas – Productos de calidad

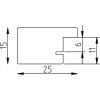
Marco de fotos de madera Profil Top Pro natur 60x80 cm con vidrio de seguridad

Marco de fotos de madera maciza, acabado natur, vidrio de seguridad antirreflejo, resistente a impactos y UV, compatible vertical/horizontal, diseño minimalista y elegante, ideal para hogar, oficina y espacios públicos
Color 
Tipo de vidrio 
Tamaño 

117,70 €
incl. IVA. , más Envío