En línea desde 2006 – Calidad comprobada
Más de 100.000 productos – Amplia variedad
Entrega desde nuestro propio almacén – Envío rápido
Marcas exclusivas – Productos de calidad

Marco de fotos de madera Profil Top Pro gold 40x50 cm con vidrio de museo

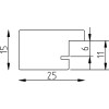
Marco de fotos de madera maciza, perfil recto de 2,5 cm, cubierta dorada, vidrio de museo con protección UV del 70%, ideal para colgación vertical o horizontal, diseño elegante y atemporal, durabilidad robusta, adecuado para espacios residenciales y profesionales
Color 
Tipo de vidrio 
Tamaño 

110,95 €
incl. IVA. , más Envío