En línea desde 2006 – Calidad comprobada
Más de 100.000 productos – Amplia variedad
Entrega desde nuestro propio almacén – Envío rápido
Marcas exclusivas – Productos de calidad

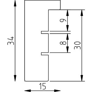
Marco de fotos de madera Profil 2480 Linde 50x70 cm con cristal antirreflejante

Marco de fotos de madera lino, tono uniforme, perfil estrecho 1,5 cm, cristal antirreflejante, formato 50x70 cm, acabado armonioso, ideal para paredes, resistente y versátil
Tipo De Vidrio 
Formato Del Marco 

70,30 €
incl. IVA. , más Envío