En línea desde 2006 – Calidad comprobada
Más de 100.000 productos – Amplia variedad
Entrega desde nuestro propio almacén – Envío rápido
Marcas exclusivas – Productos de calidad

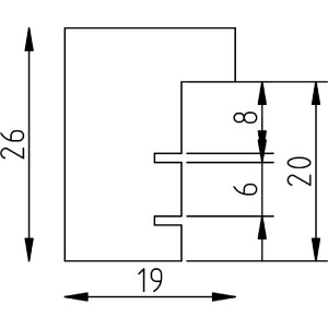
Marco de fotos de madera Effect Profil 58 Blanco 60x90 cm con vidrio transparente

Marco de fotos de madera maciza, perfil de bloque profundo, ancho de listón 1,9 cm, 6 capas de pintura según normativas UE, con vidrio transparente, tamaño 60x90 cm, ideal para colgar en pared, presentación elegante y de alta calidad
Color 
Tipo De Vidrio 
Tamaño Del Marco 

82,50 €
incl. IVA. , más Envío