En línea desde 2006 – Calidad comprobada
Más de 100.000 productos – Amplia variedad
Entrega desde nuestro propio almacén – Envío rápido
Marcas exclusivas – Productos de calidad

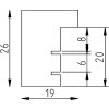
Marco de fotos de madera Effect Profil 58 Antiksilber 40x60 cm con vidrio de museo

Marco de fotos de madera maciza, perfil profundo de 1,9 cm, acabado foliado, vidrio de museo con 70% protección UV, ideal para montaje en pared, diseño elegante y atemporal, dimensiones 40x60 cm
Color 
Tipo De Vidrio 
Tamaño Del Marco 

131,35 €
incl. IVA. , más Envío