En línea desde 2006 – Calidad comprobada
Más de 100.000 productos – Amplia variedad
Entrega desde nuestro propio almacén – Envío rápido
Marcas exclusivas – Productos de calidad

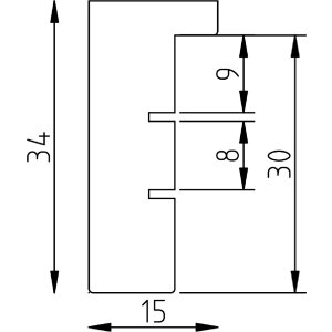
Marco de fotos de madera Effect Profil 2480 – Sauce 30x40 cm con vidrio acrílico

Marco de fotos de madera de sauce, diseño bloque elegante, vidrio acrílico antirreflexión, protección UV, tamaño 30x40 cm, ideal para paredes y espacios modernos o clásicos
Tipo De Vidrio 
Formato Del Marco 

53,80 €
incl. IVA. , más Envío