En línea desde 2006 – Calidad comprobada
Más de 100.000 productos – Amplia variedad
Entrega desde nuestro propio almacén – Envío rápido
Marcas exclusivas – Productos de calidad

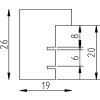
Marco de fotos de madera efecto Profil 58 Negro 10,5x14,8 cm con cristal de museo

Marco de fotos de madera efecto Profil 58, 10,5x14,8 cm, moldura 1,9 cm, cristal de museo con bloqueo UV 70%, acabado de 6 capas, diseño sofisticado, apto para colgar o poner sobre mesa
Color 
Tipo De Vidrio 
Tamaño Del Marco 

32,75 €
incl. IVA. , más Envío