En línea desde 2006 – Calidad comprobada
Más de 100.000 productos – Amplia variedad
Entrega desde nuestro propio almacén – Envío rápido
Marcas exclusivas – Productos de calidad

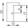
Marco de fotos de madera efecto neón amarillo 24x30 cm con vidrio antirreflejo

Marco de fotos de madera maciza con efecto neón amarillo, vidrio antirreflejo, perfil en bloque de 1,3 cm, formato 24x30 cm, ideal para paredes, diseño moderno y duradero
Color 
Tipo De Vidrio 
Formato Del Marco 

36,40 €
incl. IVA. , más Envío