En línea desde 2006 – Calidad comprobada
Más de 100.000 productos – Amplia variedad
Entrega desde nuestro propio almacén – Envío rápido
Marcas exclusivas – Productos de calidad

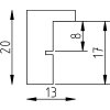
Marco de fotos de madera con perfil neón azul 18x27 cm con acrílico

Marco de fotos de madera robusto, perfil neón azul, acrílico antirreflexivo y UV, tamaño 18x27 cm, montaje en pared, ideal para decoración moderna, uso privado y profesional
Color 
Tipo De Vidrio 
Formato Del Marco 

33,75 €
incl. IVA. , más Envío