En línea desde 2006 – Calidad comprobada
Más de 100.000 productos – Amplia variedad
Entrega desde nuestro propio almacén – Envío rápido
Marcas exclusivas – Productos de calidad

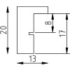
Marco de fotos de madera con perfil neón azul 10x15 cm con acrílico

Marco de fotos de madera maciza, perfil neón azul, acrílico con antirreflejo y protección UV, listón de 1,3 cm, fondo con soporte para colgar o poner de pie, ideal para exposiciones y espacios creativos
Color 
Tipo De Vidrio 
Formato Del Marco 

23,50 €
incl. IVA. , más Envío