En línea desde 2006 – Calidad comprobada
Más de 100.000 productos – Amplia variedad
Entrega desde nuestro propio almacén – Envío rápido
Envío gratuito a partir de 100 €

Espejo de madera Profil 58 Antiguo Plata 50x60 cm para pared

  • Número de Artículo: 0585-5060-24 Effect
  • EAN: 4063155295246
  • Categoría: Espejos

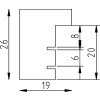
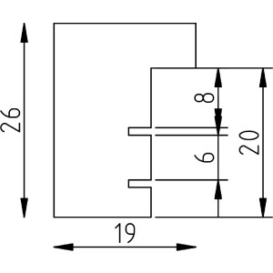
Marco de madera maciza con acabado antiguo plata, perfil delgado de 1,9 cm, superficie brillante y lisa, formato 50x60 cm, diseño moderno, para colgar en pared
Color 
Tamaño 

80,35 €
incl. 21% IVA. , más Envío