En línea desde 2006 – Calidad comprobada
Más de 100.000 productos – Amplia variedad
Entrega desde nuestro propio almacén – Envío rápido
Envío gratuito a partir de 100 €

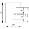
Espejo de madera Efecto Profil 58 Blanco 10x15 cm

  • Número de Artículo: 0585-1015-05 Effect
  • EAN: 4063155294485
  • Categoría: Espejos

Marco de fotos de madera maciza, acabado liso, pintura de 6 capas, diseño delgado 1,9 cm, soporte trasero para pared o superficie, estilo minimalista, duradero según normativa UE, ideal para baños, dormitorios o pasillos, tamaño 10x15 cm
Color 
Tamaño 

26,85 €
incl. 21% IVA. , más Envío