En línea desde 2006 – Calidad comprobada
Más de 100.000 productos – Amplia variedad
Entrega desde nuestro propio almacén – Envío rápido
Envío gratuito a partir de 100 €

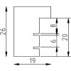
Espejo de madera con marco Profil 58 plateado 15x20 cm

  • Número de Artículo: 0585-1520-01 Effect
  • EAN: 4063155294560
  • Categoría: Espejos

Marco de fotos de madera maciza con espejo, acabado plateado y foliado, ancho 1,9 cm, diseño moderno, soporte incorporado, ideal pared o mesa
Color 
Tamaño 

31,10 €
incl. 21% IVA. , más Envío