En línea desde 2006 – Calidad comprobada
Más de 100.000 productos – Amplia variedad
Entrega desde nuestro propio almacén – Envío rápido
Marcas exclusivas – Productos de calidad

Marco de fotos de madera Effect Profil 2070 con cristal de museo 25x70 cm dorado

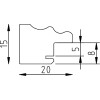
Marco de fotos de madera maciza, diseño elegante con superficie cerrada, cristal de museo, para colgar vertical o horizontal, moldura de 2,0 cm de ancho, acabado dorado, ideal para fotos o arte
Color 
Tipo de vidrio 
Formato del marco 

134,85 €
incl. IVA. , más Envío