En línea desde 2006 – Calidad comprobada
Más de 100.000 productos – Amplia variedad
Entrega desde nuestro propio almacén – Envío rápido
Envío gratuito a partir de 100 €

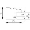
Efecto marco de madera perfil 2070 cristal antirreflectante 25x60 cm plata

  • Número de Artículo: 2071-2560-01 Effect
  • EAN: 4011205589531
  • Categoría: Marco de madera

Elegante moldura de madera maciza con superficie cerrada, marco de madera con cristal antirreflectante
Color 
Tipo de vidrio 
Formato del marco 

78,55 €
incl. 21% IVA. , más Envío